Compartir por WhatsApp

Temporizador de Desconexión Retardada

Este temporizador de desconexión retardada es un dispositivo rentable, fiable y fácil de montar que automatiza las operaciones de conmutación basadas en tiempo. Su objetivo es mejorar la eficiencia energética y añadir comodidad tanto en el hogar como en la oficina al asegurar que los electrodomésticos permanezcan encendidos solo el tiempo necesario. Los temporizadores de desconexión retardada se utilizan comúnmente para mantener los aparatos activos durante una duración definida.

Diagrama del prototipo del temporizador en un protoboard

Diseño y Principio de Funcionamiento

El circuito temporizador se construye alrededor de un CI TLC555 configurado en modo monoestable. Una vez que se pulsa el interruptor de inicio, el circuito alimenta el electrodoméstico conectado durante un intervalo preestablecido antes de apagarse automáticamente.

Circuito y Funcionamiento

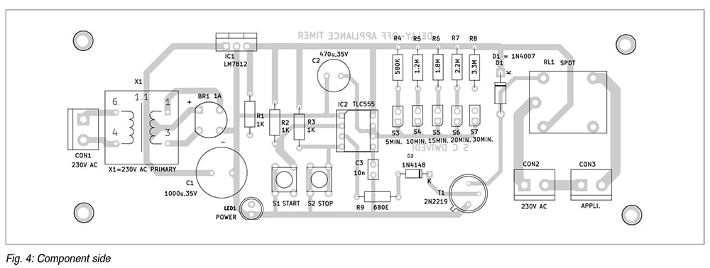
Suministro de Energía: El circuito se alimenta de la red eléctrica. Un transformador reduce el voltaje a 12V, que luego es rectificado por un puente de diodos, filtrado por un condensador y regulado a 12V DC por un regulador LM7812. Un LED indica el estado de la alimentación.

Diagrama del circuito electrónico del temporizador

El corazón del circuito es el 555. El tiempo de retardo está determinado por el condensador de sincronización y una de las resistencias (R4 a R8), seleccionable mediante interruptores (S3 a S7).

Al pulsar momentáneamente el interruptor de inicio se dispara el IC2, haciendo que su salida pase a estado alto durante la duración preestablecida. Esto activa un transistor NPN, que a su vez energiza el relé. El electrodoméstico conectado recibe energía a través de los contactos del relé.

Detalle del circuito con el relé y el aparato conectado

Una vez transcurrido el tiempo, la salida del IC2 pasa a estado bajo, cortando el transistor T1 y desenergizando el relé, con lo que se apaga automáticamente el electrodoméstico. El circuito está diseñado con cinco opciones de retardo preestablecidas seleccionables mediante interruptores: 5, 10, 15, 20 o 30 minutos (S3 a S7).

Funciones de Control y Protección

El interruptor de parada permite interrumpir manualmente el ciclo en cualquier momento. El circuito incluye elementos de apoyo como un diodo flyback para proteger el transistor T1 de picos de voltaje del relé, otro diodo para limitar la corriente de base, y un condensador para filtrar el ruido en el pin de control del 555, mejorando la estabilidad.

Construcción y Prueba

El circuito se puede ensamblar en un PCB de propósito general. Es esencial montar todos los interruptores (S1 a S7) en el panel frontal del gabinete.

Antes de encender, se deben verificar cuidadosamente todas las conexiones y la polaridad de los componentes (capacitores, diodos, transistor).

Prueba:

Conecte un electrodoméstico como una lámpara o ventilador, seleccione el tiempo de retardo deseado pulsando uno de los selectores (S3 a S7).

Pulse el interruptor de inicio para disparar el temporizador. El electrodoméstico se encenderá y permanecerá así durante el tiempo seleccionado. El aparato se apagará automáticamente al finalizar el ciclo. El interruptor de parada permite la interrupción manual.